- --
Viewing Issue Advanced Details
| ID | Category [?] | Severity [?] | Reproducibility | Date Submitted | Last Update |
|---|---|---|---|---|---|
| 03726 | Sound | Minor | Always | Feb 10, 2010, 11:36 | Feb 4, 2014, 12:12 |
| Tester | Oliver_A | View Status | Public | Platform | |
| Assigned To | AWJ | Resolution | Fixed | OS | |
| Status [?] | Resolved | Driver | |||
| Version | 0.136u2 | Fixed in Version | 0.153 | Build | |
| Fixed in Git Commit | Github Pull Request # | ||||
| Summary | 03726: popeye: Discrete sound filter for AY-3-8910 voice A not emulated | ||||
| Description |
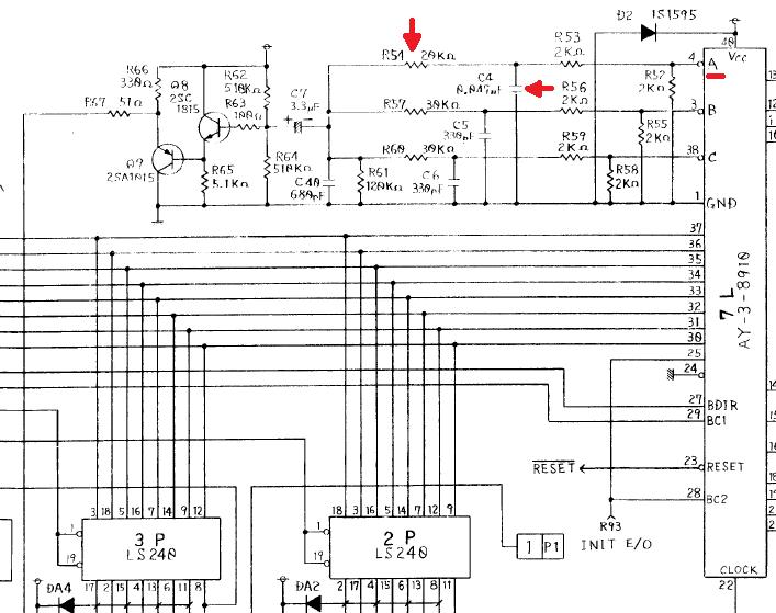
On the original Popeye board, sound channel A from AY-3-8910 is run through a discrete filter, producing a smoothed wave form. On MAME, the channel is reproduced without filtering, resulting in a harsher square wave sound. Note: this only affects sound channel A. |
||||
| Steps To Reproduce |
Turn on your original Popeye machine, and listen to the title melody. You'll notice that the 2 channels playing the leading melody sound sharp, but the channel playing the backgound beat is much more smooth and not a square wave. Start the game, hear the introduction music, same pattern: leading melody is a sharp square wave, background beat is smooth. Now play the game. All sound effects are sharp square waves. The background melody however is smooth. See also Popeye schematics sheet 2, upper right corner. When I am taking the sound directly at resistor R52, bypassing the whole circuit, voice A is sounding as sharp as wrongly emulated in MAME. Probable cause for filtered sound: capacitor C4, 0.047uF, resistor R51, 20KOhm Circuit has been verified with original board. See picture for circuit. |
||||
| Additional Information |
I am going to provide some sound samples during the day. EDIT: Sample has been uploaded. EDIT: Part of schematic has been uploaded. |
||||
| Github Commit | |||||
| Flags | Verified with Original | ||||
| Regression Version | |||||
| Affected Sets / Systems | popeye | ||||
|
Attached Files
|
| ||||
Relationships
| There are no relationship linked to this issue. |
Notes
5
|
No.05686
Tafoid Administrator
Feb 10, 2010, 12:31
|
Suffice it to say, there are probably hundreds of games that have yet to get such filtering involving the ay8910/ym2149. It's been a slow process of adding them. I can acknowledge this for now, but not sure when those who deal with discrete issues can apply any fix. Reference recordings and examples are good, however, and will facilitate the process. |
|---|---|
|
No.05687
Oliver_A Tester
Feb 10, 2010, 12:48
edited on: Feb 10, 2010, 13:24 |
I have now uploaded a whole sound section. If someone wants to implement it, he/she can listen to this sound file and look at the schematics. The filtering seems to be caused by capacitor C4. |
|
No.05688
Fujix Administrator
Feb 10, 2010, 13:06
|
Thanks for uploading the original sound. I set the report status Confirmed. |
|
No.06055
couriersud Developer
May 7, 2010, 21:30
|
The schematics could be emulated using 3 RC filters and a discrete mixer in MAME. |
|
No.10235
AWJ Developer
Feb 4, 2014, 12:12
|
I've hooked up an RC filter matching the schematic to the first AY channel. The caps on the other two channels are only 330pF; the amount of lowpass filtering they provide is probably outside the range of human hearing and certainly outside the precision of the old integer-based flt_rc device. |