- --
Viewing Issue Advanced Details
| ID | Category [?] | Severity [?] | Reproducibility | Date Submitted | Last Update |
|---|---|---|---|---|---|
| 03550 | DIP/Input | Minor | N/A | Nov 23, 2009, 06:17 | Mar 18, 2010, 02:22 |
| Tester | huygens | View Status | Public | Platform | |
| Assigned To | Lord Nightmare | Resolution | Fixed | OS | |
| Status [?] | Resolved | Driver | |||
| Version | 0.135u1 | Fixed in Version | 0.137u1 | Build | |
| Fixed in Git Commit | Github Pull Request # | ||||
| Summary | 03550: moonwar: Missing "Hyper Flip" Button | ||||
| Description |
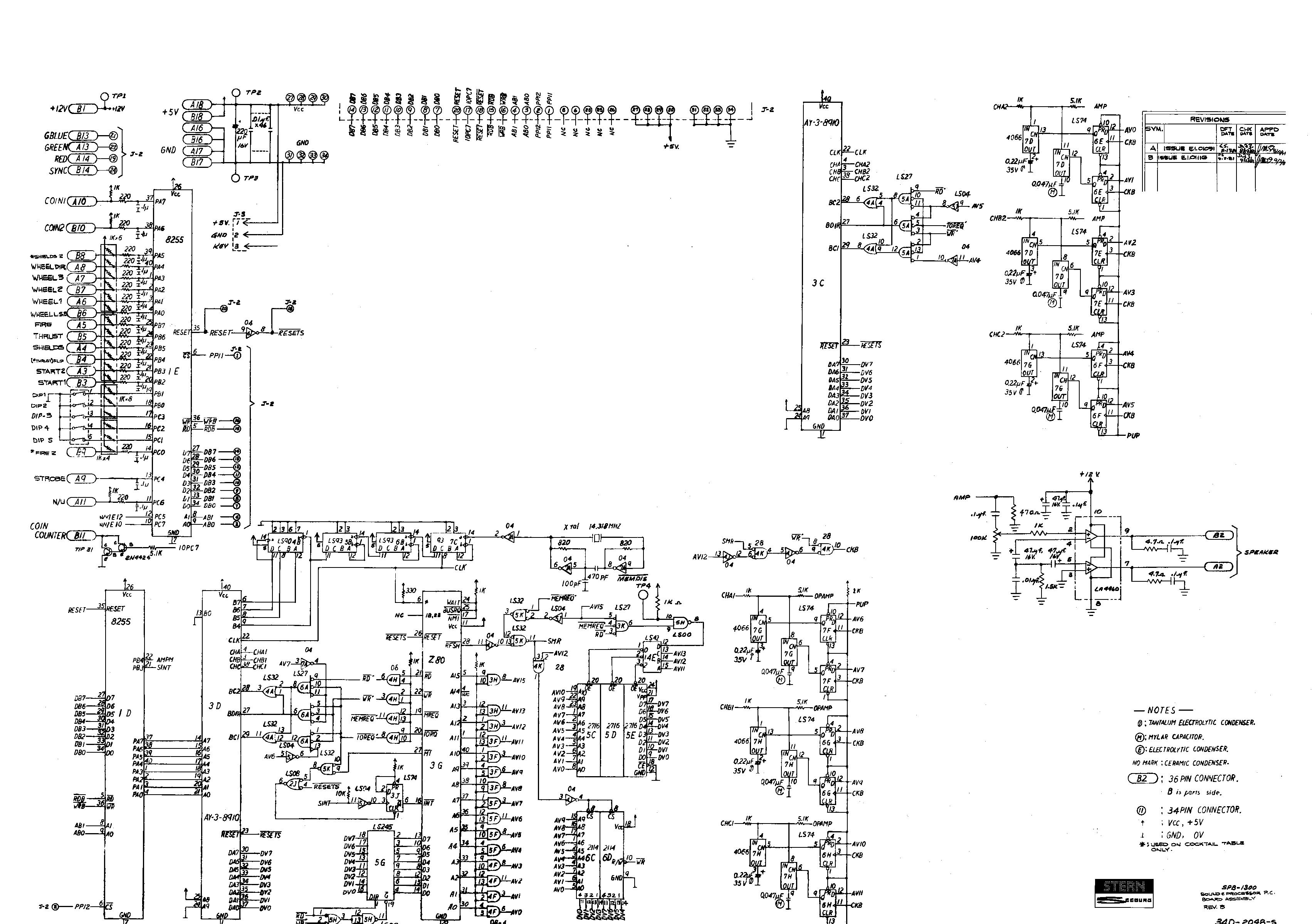
Fourth "Hyper Flip" button is missing. See attached schematic. Buttons on upright control panel: Fire Missile, Warp Drive, Thrust, Hyper Flip |
||||
| Steps To Reproduce | |||||
| Additional Information | |||||
| Github Commit | |||||
| Flags | |||||
| Regression Version | |||||
| Affected Sets / Systems | moonwar | ||||
|
Attached Files
|
|||||
Relationships
| There are no relationship linked to this issue. |
Notes
1
|
No.05206
Tafoid Administrator
Nov 23, 2009, 13:55
|
Confirmed. Attached control panel picture as well to illustrate the shared button. |
|---|