- --
Viewing Issue Advanced Details
| ID | Category [?] | Severity [?] | Reproducibility | Date Submitted | Last Update |
|---|---|---|---|---|---|
| 03595 | Sound | Minor | Always | Dec 23, 2009, 08:30 | Dec 24, 2009, 22:49 |
| Tester | Kold666 | View Status | Public | Platform | MAME (Official Binary) |
| Assigned To | Resolution | Open | OS | Windows XP (32-bit) | |
| Status [?] | Confirmed | Driver | |||
| Version | 0.135u3 | Fixed in Version | Build | Normal | |
| Fixed in Git Commit | Github Pull Request # | ||||
| Summary | 03595: halley87, halleysc, halleycj: Sound support incomplete | ||||
| Description |
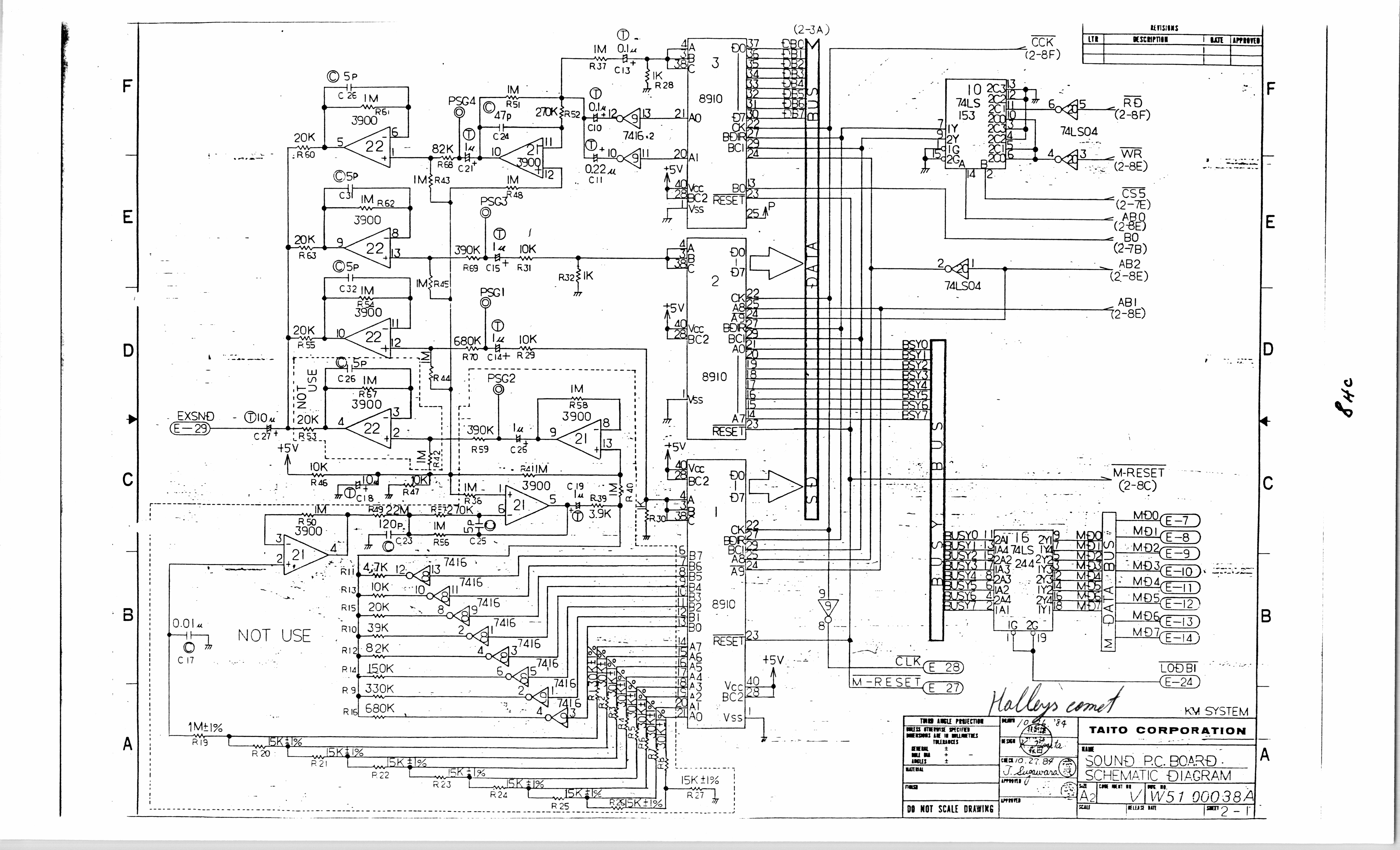
All the sound effects in Halley Comet are filtered on the pcb The sound board has many caps and resistors. |
||||
| Steps To Reproduce | |||||
| Additional Information | |||||
| Github Commit | |||||
| Flags | Verified with Original | ||||
| Regression Version | |||||
| Affected Sets / Systems | halley87, halleysc, halleycj | ||||
|
Attached Files
|
|||||
Relationships
| There are no relationship linked to this issue. |
Notes
2
|
No.05301
Tafoid Administrator
Dec 24, 2009, 00:12
|
There are quite a few games with the AY series audio chip that have unimplemented filters. This would be more in line with a source "TODO" mention rather than a bug report. |
|---|---|
|
No.05306
Kold666 Developer
Dec 24, 2009, 22:49
|
Phil, where did you find the schematics? I was searching for them! |