Viewing Issue Advanced Details
ID Category [?] Severity [?] Reproducibility Date Submitted Last Update
08520 Sound Minor Always Nov 25, 2022, 06:42 Jan 16, 2023, 21:00
Tester kmg View Status Public Platform MAME (Self-compiled)
Assigned To hap Resolution Fixed OS MacOS X
Status [?] Resolved Driver
Version 0.249 Fixed in Version 0.251 Build 64-bit
Fixed in Git Commit c616219 Github Pull Request #
Summary 08520: dkong3, dkong3hs, dkong3j: Stanley death sound only plays partially
Description See summary.
Steps To Reproduce Start game, get killed.
Additional Information Looks like the regression is my commit: https://github.com/mamedev/mame/commit/d8fd71415204a2c91bdebf199c2992a5fc6c9133

That commit was mostly removing unused cruft from the NES APU. It does however remove the ability to read back values written to the APU's registers which seems to be causing the problem. On the NES reading anything but the status register should return open bus (we don't do this yet).
Github Commit
Flags
Regression Version 0.242
Affected Sets / Systems dkong3, dkong3hs, dkong3j
Attached Files
png file icon dkong3.png (191,097 bytes) Dec 3, 2022, 21:19 Uploaded by hap
hap
png file icon punchout_rev1.png (255,766 bytes) Dec 3, 2022, 21:20 Uploaded by hap
hap
Relationships
There are no relationship linked to this issue.
Notes
22
User avatar
No.20861
Augusto
Tester
Nov 25, 2022, 18:25
Tested Ubuntu 20.04 SDLMAME 0.249 64 bits.
Following the bug instructions.
Here not any issues.
The player lose sound is played correctly.
You can test the Linux build ?
User avatar
No.20862
Tafoid
Administrator
Nov 25, 2022, 20:02
I can confirm with current Git and 0.249 in Windows.
Best way to duplicate is simply jump up to the third (top) tier and wait to get hit. Happens every time.
User avatar
No.20866
Augusto
Tester
Nov 26, 2022, 14:34
I move the player character to top and when lose the sound is played completely.
Not happening in Linux version ?
Have moments is good have the windows build only for test using WINE. Windows build run correctly in WINE current version.
Kmg and Tafoid are very much charitable ... I must post an video capture here. I will to do it in next days.
User avatar
No.20871
Augusto
Tester
Nov 29, 2022, 13:40
Here an video capture.
Emulated sound is correct ?

User avatar
No.20872
mrchrisster
Tester
Nov 29, 2022, 21:17
edited on: Nov 29, 2022, 21:24
@Augusto Your video plays the incomplete death sound. Check these two videos for comparison:
https://www.youtube.com/shorts/WOlEXLiAk4s
https://youtube.com/clip/Ugkx3JFM8oMOA0suqUvWzCHjA5GJ9elaGo5_
User avatar
No.20873
Augusto
Tester
Nov 29, 2022, 22:31
Thanks adding the link.
User avatar
No.20874
hap
Developer
Nov 30, 2022, 19:33
Nothing weird in the schematics (in theory, 0x4xxx could have been shared with RAM)
RAM at !A14
ROM at A15

Maybe the one used in NES is a bit different from the standalone RP2A03 chip.
User avatar
No.20875
kmg
Senior Tester
Nov 30, 2022, 20:50
edited on: Nov 30, 2022, 20:55
I looked into this a tiny bit more last weekend after posting the initial bug report. Sorry, the report is misleading. At the time I thought dkong3 was reading the APU regs just from some quick and dirty printfs in nes_apu.cpp. Actually it's indirect STAs that are causing nes_apu::read() to be called. I didn't understand why. I don't think dkong3 ever actually tries to read the APU other than the one readable address $4015. However, one place the indirect reads are happening is on CPU ":rp2a03a", at EAAE: sta $4002, x. I also couldn't figure out why any of this mattered and could only confirm that putting the stored reg array back into the apu_t struct and restoring the two lines in read() and write() fixed the damage. That's as far as I got with any of it and haven't had a chance to dig back in.
User avatar
No.20876
hap
Developer
Nov 30, 2022, 21:11
rp2a03b does:
ldx $4002
inx
stx $4002

and does the same for $4006 and $400a
User avatar
No.20877
kmg
Senior Tester
Nov 30, 2022, 21:30
Ok, that's interesting. Maybe dkong3 does want to be able to read back those timers. If I recall correctly the death sound is played on both APUs (both?) pulse channels, so $4002 and $4006 would be relevant.
User avatar
No.20878
kmg
Senior Tester
Nov 30, 2022, 21:36
FWIW, I also looked for something like shared RAM in the dkong3 schematics. Another possibility (in addition to being completely off course :) ) is that some of the APU registers WERE readable in the RP2A03 letterless revision and it's the same on early Famicoms. I found nothing corroborating this hypothesis, but letterless is definitely not as well understood.
User avatar
No.20886
hap
Developer
Dec 1, 2022, 12:52
According to this thing, the registers are r/w
http://www.qmtpro.com/~nes/chipimages/visual2a03/
User avatar
No.20898
kmg
Senior Tester
Dec 3, 2022, 20:31
hap, sorry, I've already been wrong several times here, but if you'll humor me again :)

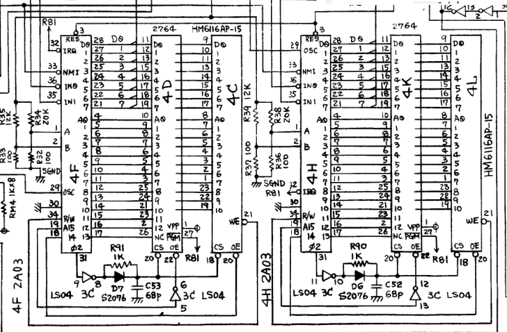
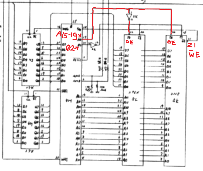
Yeah, now that I check both the 2A03s have that same code you posted, so they definitely need to read back those addresses. Still, which schematic did you look at? I just looked into this again, but the common dkong3 schematic is terribly illegible. But it should be that dkong3 and the punchout related boards all have fairly similar setups around the 2A03s, which helps with reading the dkong3 one. In this case the address decoding, as it were, is just A15 directly connected to both RAM and ROM's output enable pins. So it should be that RAM is mirrored across the lower half of memory and ROM across the upper half. It seems the solution really is just 0x4xxx being shared with RAM. AFAICT, all these games mostly avoid writing zero page RAM that is mirrored where the APU regs overlap at 0x4000, implying the coders know that APU writes are going to overwrite RAM there. All except dkong3 that is, which depends on incrementing $4002/6/a.
User avatar
No.20899
hap
Developer
Dec 3, 2022, 20:47
dkong 3 schematics (the scan that I know of) is really blurry and I thought it's the same as Punch Out but nope it's not.
you can see the number "19", which is A15.
!A15 = RAM
A15 = ROM

MAME's 2A03 doesn't support any bus conflicts right now though.

Punch Out schematics is like I said:
!A14 = RAM
A15 = ROM
User avatar
No.20900
kmg
Senior Tester
Dec 3, 2022, 21:05
edited on: Dec 3, 2022, 21:08
Are there different revisions of the Punch Out schematics? What I see is both dkong3 and punchout having pin 19 connected as you've just described. There is however an Arm Wrestling schematic that looks like A15 = ROM and !A14 = RAM, though.

EDIT: Ok, I see, there really are two revisions of the Punch Out schematic.
User avatar
No.20901
hap
Developer
Dec 3, 2022, 21:18
The punchout schematics I downloaded (not sure I can link to full manual here), is revision 1.
I'll attach pics.
User avatar
No.20909
hap
Developer
Dec 4, 2022, 14:05
That was pretty annoying to fix, it would have been much easier if the driver memory map had priority over the 2A03 internal memory map instead of the other way around.
part1: https://github.com/mamedev/mame/commit/a8c8154b43fc8442b7b616fbaac3f0b18d59583e
part2: https://github.com/mamedev/mame/commit/c6162199db4b6c36d2ce982e25e2d097d6646007
User avatar
No.20972
kmg
Senior Tester
Dec 21, 2022, 19:13
edited on: Dec 21, 2022, 19:20
I did some further QA testing now that this is fixed. It's worth noting that the Creepy inchworm sound (triangle channel on rp2a03a) was clipped too to the point it sounded more like a percussive sound. The jumping down a platform sound was also up an octave or two.

Now that Creepy's sound is better I also investigated a high pitch noise he makes. This occurred pre-regression and again post-fix. Looks like it's a BTANB and can be heard after Creepy gets shot the 2nd time after the linked timestamp in this video:
User avatar
No.20976
Augusto
Tester
Dec 22, 2022, 07:17
kmg doing the good deed.
Have an nice week.
User avatar
No.21015
mrchrisster
Tester
Jan 15, 2023, 05:23
Just got 251 but this fix is still not in Mainline mame hey?
User avatar
No.21016
hap
Developer
Jan 15, 2023, 12:48
I'm not sure why you say that. The bug was pretty subtle, maybe that's why?

The fix here was:
player gets hit and dies,
old version: fall sound plays for a short duration
fixed in 0.251: fall sound is ok
User avatar
No.21019
mrchrisster
Tester
Jan 16, 2023, 21:00
edited on: Jan 16, 2023, 21:01
I compiled my own mame with the fixes where fall sound is fine but installing mame 251 fall sound was still broken. It's groovymame so let me check with mainline mame if fall sound is fixed now